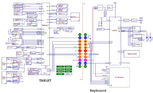
Dell XPS 15 9500 Precision 5550 LA-J191P Bios, Schematic
Dell XPS 15 9500 Precision 5550 LA-J191P Bios Bin. Dell XPS 15 9500 Precision 5550 LA-J191P Bios bin file download. Our all bios and EC bin files are 100% working with Clear ME and have been tested so many times on different machines. If your system has no display after programming this Bios Bin file, …
Dell XPS 15 9500 Precision 5550 LA-J191P Bios, Schematic Read More »

